减速机厂家认准淄博手机在线买球官方网站,型号全

山东减速机专业厂家,供货充足,品质放心

WXJ型蜗轮蜗杆齿轮减速机

  • 产品名称: WXJ型蜗轮蜗杆齿轮减速机
  • 产品分类: 蜗轮蜗杆齿轮减速机
  • 公司名称: 手机在线买球官方网站
  • 添加时间: 19/10/11
  • 点击次数:  
  • 二 维 码:

    手机浏览

    更方便

产品详情


WXJ型蜗轮蜗杆齿轮减速机是传动的阿基米德圆柱蜗杆减速器,WXJ型蜗轮蜗杆齿轮减速机具有体积比普通蜗轮减速机小,重量轻的特点,广泛用于矿山、冶金、水泥、建筑等各机械设备的减速传动。

WXJ型蜗轮蜗杆齿轮减速机(蜗杆下置)型为传动的阿基米德圆柱蜗杆减速器。主要用于矿山、冶金、水泥、建筑等各机械设备的减速传动,蜗杆转速不超过1500r/min,工作环境温度为-40℃~+40℃,蜗杆可正反转,减速器具有自锁性。

WXJ型蜗轮蜗杆齿轮减速机主要参数表

型号

中心矩

速比

蜗杆头数

蜗杆齿轮

模数

配用功率KW

WXJ-80

80

52

1

52

2.5

1.1~1.5

41

1

41

3

20.5

2

30

1

30

4

15

2

 
WXJ-100

100

55

1

55

3

1.5~2.2

27.5

2

40

1

40

4

20

2

31

1

31

5

15.5

2

WXJ-120


50

1

50

4

2.2~3

25

2

39

1

39

5

19.5

2

31

1

31

6

15.5

2

WXJ-150

150

51

1

51

5

4.5~5.5

25.5

2

41

1

41

6

20.5

2

33

1

33

7

WXJ-180

180

51

1

51

6

5.5~7

37

1

37

8

18.5

2

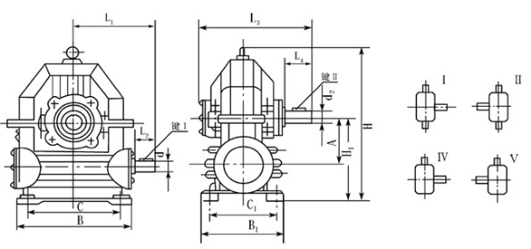
标记示例:

型号

A

H1

H

B

B1

C

C1

4--Φ

L1

L2

L3

L4

d1

键I

d2

键II

WXJ80

80

160

285

210

160

145

115

4—Φ13

181

50

152

50

Φ22

6×40

Φ30

8×42

WXJ100

100

190

340

250

180

180

140

4—Φ18

191

50

176

65

Φ30

8×42

Φ40

12×55

WXJ120

120

220

380

275

200

200

150

4—Φ18

218

56

187

78

Φ30

8×50

Φ45

14×70

WXJ150

150

270

450

374

260

290

210

4—Φ24

277

65

227

90

Φ40

12×50

Φ55

16×80

WXJ180

180

320

540

420

320

300

260

4—Φ24

298

78

421

98

Φ45

14×68

Φ60

18×90




点击次数:   更新时间:19/10/11 11:46:10   【打印此页】   【关闭【返回上一页】
手机在线买球官方网站
联系人:庞经理 
手机:13708949509/13853354156 
电话:0533-4650930 
传真:0533-4650930 
地址:淄博市博山开发区张庄村西